Com mais de 10 anos de experiência em serviços OEM e ODM, a nossa equipa de vendas e equipa técnica estão sempre disponíveis para verificar e discutir os detalhes dos seus requisitos. Faremos esforços contínuos para melhorar as capacidades de I&D, fabrico e marketing para fornecer produtos cada vez mais fiáveis e trazer os melhores valores a todos os clientes.
FAQ
Uma fonte de alimentação CC deve fornecer tensão e corrente em modo de tensão constante (CV) ou corrente constante (CC) dentro da gama de saída nominal. Estas caraterísticas de funcionamento são designadas por tipo de cruzamento automático de tensão constante/corrente constante. Isto permite a transição contínua dos modos de corrente constante para tensão constante em resposta à alteração da carga. A intersecção dos modos de tensão constante e de corrente constante é designada por ponto de cruzamento. A figura abaixo mostra a relação entre este ponto de cruzamento e a carga.

No modo CV, é fornecida uma tensão de saída regulada. A tensão de saída permanece constante à medida que a carga aumenta, enquanto a corrente de saída se altera em resposta às alterações de carga, até ser atingido o atual ponto limite de corrente. Nesse ponto, a corrente de saída torna-se constante e a tensão de saída desce proporcionalmente aos novos aumentos de carga.
Da mesma forma, no modo CC, o cruzamento do modo CC para CV ocorre automaticamente a partir de uma diminuição da carga. É fornecida uma corrente de saída regulada. A corrente de saída mantém-se constante à medida que a carga diminui, enquanto a tensão de saída muda em resposta às mudanças de carga.
Uma fonte de alimentação com modo de funcionamento CV e CC pode ser operada em apenas um modo de acordo com a situação de carga. A fonte de alimentação está no modo CV quando a carga real é superior à capacidade de carga predefinida; e a fonte de alimentação está no modo CC quando a carga real é inferior à capacidade de carga predefinida.
Quando a fonte de alimentação está ligada a uma grande carga capacitiva, provoca sempre um aumento da tensão de saída numa fonte de alimentação. A tensão de saída pode aumentar rapidamente até ao ponto de proteção contra sobretensão. Pode também provocar uma diminuição lenta quando a tensão de saída é reduzida.
Para resolver este problema, ligue uma resistência de potência em paralelo aos terminais de saída da fonte de alimentação; ao mesmo tempo, ligue um díodo em série entre os terminais de saída e a carga.

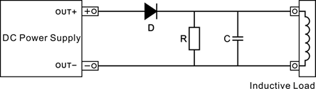
Quando uma carga indutiva é ligada à fonte de alimentação, provoca uma força motriz eléctrica de indução de polaridade inversa quando a fonte de alimentação é ligada ou desligada, ou quando se predefine a tensão de saída. O ruído de impulso provocado por uma carga indutiva também afectará a fonte de alimentação, especialmente quando o ruído de impulso tem a mesma polaridade que a saída da fonte de alimentação.
Para evitar efeitos ou danos na fonte de alimentação, ligar um díodo em série entre os terminais de saída da fonte de alimentação e a carga; ao mesmo tempo, ligar uma resistência de potência e um condensador em paralelo com a carga para fazer um circuito de corte R-C, o que restringirá significativamente a geração do ruído.

Quando utilizar a fonte de alimentação para carregar uma bateria, como um acumulador e uma bateria ni-mh, as medidas de proteção recomendadas consistem em ligar um díodo entre a fonte de alimentação e a bateria. Quando o condensador eletrolítico de saída da fonte de alimentação está carregado, a ligação de uma carga (bateria) pode provocar faíscas. Isto é normal. Depois de os dois atingirem a mesma tensão, as faíscas desaparecem.

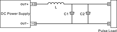
Mesmo que a corrente de pico de uma carga de impulsos, como um motor, uma lâmpada, um módulo conversor CC-CC ou CC-CA, não exceda a corrente nominal da fonte de alimentação, também causará uma queda de tensão ou instabilidade na saída.
Uma solução básica é ligar um indutor em série entre a fonte de alimentação e a carga. Ou escolher uma fonte de alimentação com uma corrente nominal mais elevada. Se o circuito de impulsos tiver uma largura de impulso pequena ou uma corrente de pico baixa, outra solução é ligar um condensador com grande capacidade. Uma referência para escolher a capacidade de um condensador é: capacidade de 1000uF para uma corrente de 1A.

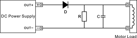
Quando a fonte de alimentação é ligada a uma carga que provoca uma corrente de polaridade inversa na saída da fonte de alimentação, a tensão de saída aumenta, porque a fonte de alimentação não consegue absorver a corrente de polaridade inversa da carga.
Uma solução consiste em ligar um díodo em série entre o terminal de saída e a carga; ao mesmo tempo, ligar uma resistência de descarga em paralelo com a carga para absorver a corrente de polaridade inversa. Quando a corrente de polaridade inversa é um pico de pico, ligar o condensador eletrolítico grande em paralelo com as duas extremidades da carga.

Quando a fonte de alimentação está ligada a uma grande carga capacitiva, provoca sempre um aumento da tensão de saída numa fonte de alimentação. A tensão de saída pode aumentar rapidamente até ao ponto de proteção contra sobretensão. Para resolver este problema, ligue uma resistência de potência em paralelo aos terminais de saída da fonte de alimentação; ao mesmo tempo, ligue um díodo em série entre os terminais de saída e a carga.
Contactar-nos
Contacte-nos ou ligue-nos para saber como podemos ajudar.
Sobre nós
A Twintex Instrument Ltd. foi fundada em 1998. Com a honestidade, a inovação e a continuação como o núcleo da cultura empresarial, a Twintex tem-se desenvolvido gradualmente num fabricante de instrumentos de teste e medição, produtos que incluem osciloscópio, gerador de forma de onda/função, fonte de alimentação CC, fonte de alimentação CA, multímetro, medidor LCR e outros instrumentos de teste e medição de uso geral.
